1BA06AH0L
Can't find what you're looking for? Go to the Product Selector
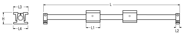
直線導軌, 1BA, Round Shaft, End supported, Low Support, ASB, 2 Pillow Blocks, 0.375 英寸, One Guide Shaft, 200 磅力 Dynamic Load Capacity
- 末端支撐導向軸組件(英制)組成:
- 兩個單軸承座,閉合型,英制
- 2個ASB軸支撐
- 一個60 Case®導向軸
