FNYBU10OPN
Can't find what you're looking for? Go to the Product Selector
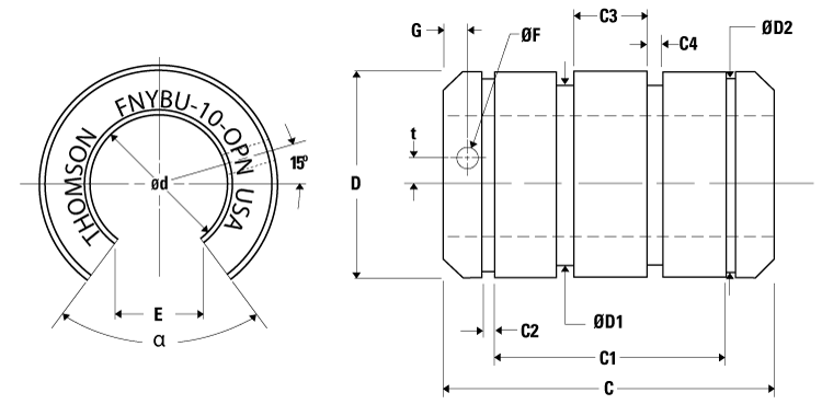
直線軸承, 僅襯套, FluoroNyliner, 0.625 英寸, 開口型, 非自調心, 精密內徑, 耐腐蝕; 配合使用 0.625 英寸 直徑 L級 連續支撐應用中的軸
- FluoroNyliner襯套軸承是一種自潤滑、滑動軸承。該軸承接觸表面積大,因而在高振動或高沖擊應用中具有卓越的性能。
- FluoroNyliner可用于未硬化的高耐腐蝕性導向軸,因此非常適合用于沖洗或水下環境。
- PTFE膠帶可粘接到鋁合金外殼的內表面上。
- Thomson LinearRace®導向軸具有無以倫比的質量,并且常備庫存。
- 用于L級導向軸
- Open bearings operating in tension should be derated by 70%. Open bearings operating in shear should be derated by 40%
