WM08Z170-00007
Can't find what you're looking for? Go to the Product Selector
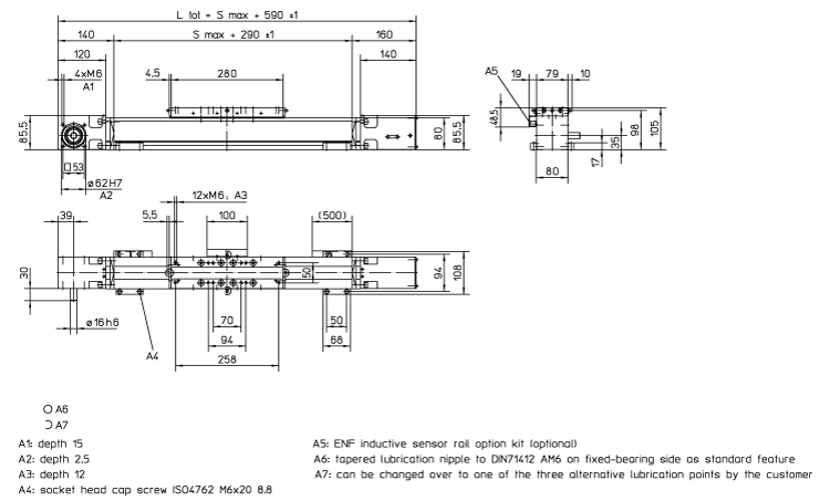
WM08Z170-01830-02420DN-000, 直線運動單元, WM80Z, 皮帶 Drive, 滾珠 Guide, 0.05 毫米 Repeatability, 1830 毫米 Stroke, 2420 毫米 Overall Length, 單個標準滑塊, 170 毫米 Travel Per Shaft Rev, Shaft On Right Side With Keyway, 2507.5 Maximum Linear Speed
- 取代
- 中央潤滑所有需潤滑零件
